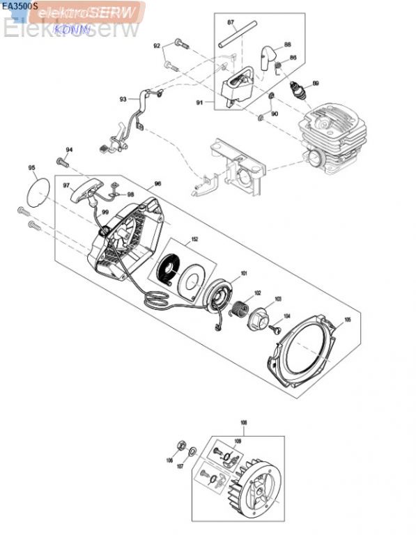
Makita schemat i lista części do pilarki łańcuchowej EA3500S

Spis części od EA3500S:
pozycja na schemacie, nr katalogowy, opis produktu, ilość:
001; 168823-3 TANK CAP COMPLETE; 1
002; 213080-9 O-RING 29,5 do EA3200S; 1
003-1; 163447-0 FILTR PALIWA do DCS230T; 1
004; 195758-5 ZBIORNIK PALIWA do EA3200S "MAKITA"; 1
005; 266651-1 ŚRUBA 5,5x16; 1
006; 452021-2 POKRYWA RĘKOJEŚCI TYLNEJ do EA3200S; 1
007; 452020-4 DŹWIGNIA WYCHWYTNIKA do EA3200S; 1
008; 231866-9 SPRĘŻYNA 10 do EA3200S; 1
009; 452019-9 DŹWIGNIA PRZEPUSTNICY do EA3200S; 1
010; 195762-4 ZAWÓR POWIETRZA do EA3200S; 1
011; 452018-1 ZŁĄCZKA PRZEWODU PALIWA do EA3200S; 1
012; 213586-7 O-RING 11,5 do EA3200S; 1
013; 424456-7 PRZEWÓD PALIWA do EA3201S; 1
014; 850C72-1 EA3500S NAME PLATE; 1
016; 802K41-6 SOUND 113DB LABEL; 1
017; 452036-9 UCHWYT RUROWY do EA3200S; 1
018; 346517-2 PODKŁADKA do EA3201S; 1
019; 234189-4 SPRĘŻYNA 12 do EA3200S; 1
020; 266605-8 ŚRUBA IMBUSOWA M5x16; 1
021; 266651-1 ŚRUBA 5,5x16; 1
022; 891898-4 ETYKIETA Z LOGO MAKITA do EA3200S; 1
023; 266651-1 ŚRUBA 5,5x16; 4
024; 452031-9 POKRYWA FILTRA POWIETRZA do EA3200S; 1
025; 423414-0 FILTR POWIETRZA do EA3200S; 1
026; 452030-1 GNIAZDO FILTRA POWIETRZA do EA3200S; 1
027; 266604-0 ŚRUBA M4x40; 2
028; 424173-9 AMORTYZATOR do EA3200S; 2
029; 168398-2 POMPKA PALIWA do DCS230T; 1
030; 422067-2 WĘŻYK 2,5-55 do EA3200S; 1
031; 422065-6 WĘŻYK 2,5-112 do EA3200S; 1
032; 422068-0 WĘŻYK 3-70 do EA3200S; 1
033; 422066-4 WĘŻYK do EA3200S; 1
034; 318634-8 FLANSZA do EA3200S; 1
035; 346413-4 TULEJA 17 do EA3200S; 1
036; 454874-5 INTERMEDIATE FLANGE; 1
037; 424617-9 INTAKE HOSE; 1
038; 233971-8 PIERŚCIEŃ do EA3201S; 1
039; 266651-1 ŚRUBA 5,5x16; 1
040; 264044-6 NAKRĘTKA M5; 1
041-1; 168829-1 CARBURETOR; 1
C02; ZJ00000077 NOZZLE ASSEMBLY; 1
C04; ZJ00000003 STRAINER; 1
C06; ZJ00000008 PIN; 1
C08; ZJ00000078 SPRING, METERING LEVER; 1
C10; ZJ00000006 LEVER; 1
C12; ZJ00000007 VALVE, INLET NEEDLE; 1
C14; ZJ00000009 SCREW (METERING LEVER PIN); 1
C16; ZJ00000079 METERING CHAMBER GASKET; 1
C18; ZJ00000013 DIAPHRAGM ASS'Y,METERING; 1
C20; ZJ00000029 DIAPHRAGM, PUMP; 1
C22; ZJ00000016 GASKET, PUMP; 1
C24; ZJ00000004 COVER KIT,PUMP; 1
C26; ZJ00000020 SCREW (PUMP COVER); 1
C28; ZJ00000026 SCREW,IDLE MIXTURE; 1
C30; ZJ00000027 SCREW,MAIN MIXTURE; 1
C32; ZJ00000035 RETAINER; 2
C34; ZJ00000037 STRAINER; 1
C36; ZJ00000073 SPRING; 1
C38; ZJ00000015 THROTTLE SHAFT ASSY; 1
C40; ZJ00000012 SHAFT ASSY,CHOKE; 1
C42; ZJ00000080 THROTTLE VALVE; 1
C44; ZJ00000001 SCREW; 2
C46; ZJ00000036 PLUG,ACC POCKET;
C48; ZJ00000034 SPRING,THROTTLE RETURN; 1
C50; ZJ00000022 LEVER,THROTTLE; 1
C52; ZJ00000023 SCREW; 2
C54; ZJ00000021 COLLAR; 1
C56; ZJ00000028 COVER,METERING; 1
C58; ZJ00000014 SCREW (WITH SERRATION); 2
C60; ZJ00000033 WASHER; 1
C62; ZJ00000031 LEVER,CHOKE; 1
C64; ZJ00000025 LEVER,CHOKE; 1
C66; ZJ00000040 SPRING,THROTTLE RETURN; 1
C68; ZJ00000017 E-RING; 1
C70; ZJ00000024 VALVE,CHOKE; 1
C72; ZJ00000005 PLUNGER KIT; 1
C74; ZJ00000032 SPRING,CHOKE RETURN; 1
C76; ZJ00000081 REBUILT KIT; 1
C78; ZJ00000082 GASKET&DIAPHRAGM KIT; 1
042; 266421-8 ŚRUBA 3x10; 1
043; 346290-4 SPRĘŻYNA; 1
044; 266651-1 ŚRUBA 5,5x16; 1
045; 454875-3 HOOD; 1
046; 266607-4 ŚRUBA M5x20; 1
048; 346764-5 COOLING PLATE; 1
049; 326390-6 CONNECTING LINK; 1
050; 346304-9 USZCZELKA do EA3200S; 1
051; 266605-8 ŚRUBA IMBUSOWA M5x16; 2
052; 168830-6 MUFFLER COMPLETE; 1
053; 346823-5 SPARK ARRESTER; 1
054; 266480-2 H.L. SOCKET HEAD BOLT M5X55; 1
055; 266605-8 ŚRUBA IMBUSOWA M5x16; 2
056-1; 143323-4 CYLINDER COMPLETE; 1
057-1; 197479-5 PISTON SET; 1
C10; 319108-2 PISTON 38; 1
058; 257366-1 PISTON RING 38; 1
059; 326395-6 PISTON PIN; 1
060; 234323-6 RING SPRING 9; 2
061; 213141-5 OIL SEAL 12; 1
062-1; 211341-1 ŁOŻYSKO KULKOWE 6201 do EA3200S; 1
063; 212093-7 NEEDLE CAGE 912; 1
064-2; 127075-5 CRANKCASE ASSEMBLY; 1
C10; 142417-2 CRANKSHAFT COMPLETE; 1
065-1; 211341-1 ŁOŻYSKO KULKOWE 6201 do EA3200S; 1
066; 213141-5 OIL SEAL 12; 1
067-1; 144357-0 CRANKCASE MS ASSEMBLY; 1
068-1; 144356-2 CRANKCASE KS ASSEMBLY; 1
069; 168823-3 TANK CAP COMPLETE; 1
070; 213080-9 O-RING 29,5 do EA3200S; 1
072; 266651-1 ŚRUBA 5,5x16; 2
073; 234189-4 SPRĘŻYNA 12 do EA3200S; 1
074; 816917-5 ETYKIETA do EA3200S; 1
075; 452025-4 DŹWIGNIA DŁAWIKA do EA3200S; 1
076; 452022-0 POŁĄCZENIE DŁAWIKA do EA3200S; 1
077; 266608-2 ŚRUBA 5x40; 4
078; 326402-5 BUSH 6; 4
079; 234189-4 SPRĘŻYNA 12 do EA3200S; 1
080; 266651-1 ŚRUBA 5,5x16; 2
081; 234189-4 SPRĘŻYNA 12 do EA3200S; 1
082; 266651-1 ŚRUBA 5,5x16; 2
083; 266651-1 ŚRUBA 5,5x16; 2
084; 168504-9 ZAWÓR do EA3201S; 1
085; 346301-5 OSTROGA ZĘBATA do EA3200S; 1
086; 326210-4 SPRĘŻYNA do EA3201S; 1
087; 444042-8 ISOLATING TUBE 6-80; 1
088; 424522-0 ŁĄCZNIK ŚWIECY ZAPŁONOWEJ do EA3200S; 1
089; 168401-9 ŚWIECA ZAPŁONOWA CMR6A do EM4250/DCS230T/BHX2501; 1
090; 452670-5 PODKŁADKA IZOLACYJNA do EA3200S; 2
091-1; 126270-4 (zam. 165143101) CEWKA ZAPŁONOWA KPL. do EA3200S; 1
092; 266631-7 ŚRUBA M5x20; 2
093; 168601-1 PRZEWÓD do EA3200S; 1
094; 266651-1 ŚRUBA 5,5x16; 3
095; 802K44-0 EA3500S MODEL NO. LABEL; 1
096-1; 161328-2 STARTER COMPLETE BLUE; 1
097; 453783-5 RĘKOJEŚĆ ROZRUSZNIKA do EA3200S; 1
098; 267847-7 PODKŁADKA 4 do EA3200S; 1
099; 444038-9 SZNUR ROZRUSZNIKA do EA3200S; 1
101-1; 455919-2 REEL; 1
102; 234253-1 SPRĘŻYNA 20 do EA3200S; 1
103; 453786-9 ZABIERAK ROZRUSZNIKA do EA3200S; 1
104; 266777-9 ŚRUBA 5x12 do EA3200S; 1
105; 452026-2 PRZESŁONA WYLOTU POWIETRZA do EA3200S; 1
106; 264053-5 NAKRĘTKA M8 do EA3200; 1
107; 267822-3 PODKŁADKA SPRĘŻYSTA do EA3201S; 1
108; 140480-9 KOŁO ZAMACHOWE KPL. do EA3200S; 1
109; 195761-6 ZAPADKA KOŁA ZAMACHOWEGO do EA3200S; 2
110; 452032-7 DŹWIGNIA HAMULCA ŁAŃCUCHA do EA3200S; 1
111-1; 818L12-9 CAUTION LABEL; 1
112; 266651-1 ŚRUBA 5,5x16; 1
113; 253715-0 PODKŁADKA 6 6510SB/DP4700/LS0800; 1
114; 313212-9 PROWADNICA RĘKOJEŚCI do EA3200S; 1
115; 234210-9 SPRĘŻYNA 6 do EA3200S; 1
116; 231868-5 SPRĘŻYNA do EA3201S; 1
117; 163500-2 PŁYTKA do EA3201S; 1
118; 325947-0 TULEJA 6 do EA3200S; 2
119; 346299-6 PŁYTKA DYSTANSUJĄCA do EA3200S; 1
120; 961011-9 ZEGER; 1
121-1; 458425-6 BRAKE COVER; 1
122; 266421-8 ŚRUBA 3x10; 2
123; 452035-1 NAPĘD POMPKI OLEJOWEJ do EA3200S; 1
124; 168645-1 WĘŻYK PALIWA do EA3200S; 1
125; 234207-8 SPRĘŻYNA 6 do EA3200S; 1
126-1; 452666-6 KOŁEK do EA3200; 1
127; 424342-2 KRZYWKA NAPĘDU POMPKI OLEJOWEJ do EA3200S; 1
128; 161346-0 OIL PUMP COMPLETE; 1
130; 266605-8 ŚRUBA IMBUSOWA M5x16; 1
131; 267430-0 PODKŁADKA 10; 1
132; 267431-8 PODKŁADKA 10; 1
133; 168607-9 SPRZĘGŁO KPL. do EA3200S; 1
134; 231873-2 SPRĘŻYNA do EA3200; 2
135-2; 140M30-8 CLUTCH DRUM COMPLETE; 1
136; 267833-8 CUP WASHER 8; 1
137; 259033-4 PIERŚCIEŃ SEGERA do UCXX30A; 1
138-1; 347363-6 BRAKE BAND; 1
139; 143549-8 ENGINE HOUSING COMPLETE BLUE; 1
141; 213594-8 O-RING do EA3200S; 1
142; 227744-9 KOŁO ZĘBATE 18 do EA3200S; 1
143; 227743-1 KOŁO ZĘBATE 11 do EA3200S; 1
144; 452667-4 PROWADNIK NAPĘDU POMPKI OLEJOWEJ do EA3200S; 1
145; 346300-7 NAPINACZ do EA3200S; 1
147; 266421-8 ŚRUBA 3x10; 1
148; 346518-0 PŁYTKA PROWADZĄCA do EA3200S; 1
149; 452044-0 OSŁONA NAPĘDU ŁAŃCUCHA NIEBIESKA do EA3200S; 1
150; 264055-1 NAKRĘTKA Z HOŁNIERZEM M8; 2
152; 195955-3 SPRĘŻYNA ROZRUSZNIKA KPL. do EA3200S; 1
153; 266960-8 H.L. SOCKET HEAD BOLT M5X20; 4
154; 266880-6 H.L. SOCKET HEAD BOLT M5X25; 3
155; 346760-3 CYLINDER BASE GASKET; 1
156; 346761-1 CRANKCASE GASKET; 1
157; 951063-8 SWORZEŃ; 2
158; 424618-7 PLUG; 1
159; 424631-5 SLEEVE; 1
160-2; 191A48-0 CLUTCH DRUM SET; 1
A01-1; 165201-8 GUIDE BAR 14; 1
A02; 419559-0 CHAIN PROTECTION COVER 330; 1
A03; 196207-5 SAW CHAIN SET; 1
A04; 782026-1 UNIVERSAL WRENCH 13/16; 1
A05; 783012-5 ŚRUBOKRĘT do EA3200S; 1
Opinie klientówPomóż innym użytkownikom podjąć decyzje o zakupie. Dodaj nową opinię
Bądź pierwszą osoba, która zrecenzuje ten produkt. Dodaj opinię.
Pliki do pobrania
Inne z tej kategorii
Tagi produktu:Makita Dolmar do pilarki spalinowej piła części piły spis spalinowa nowy nowa oryginalny oryginalna firma marka marki producent lista łańcuchowej schemat EA3500S EA 3500 S EA3500 3500S








